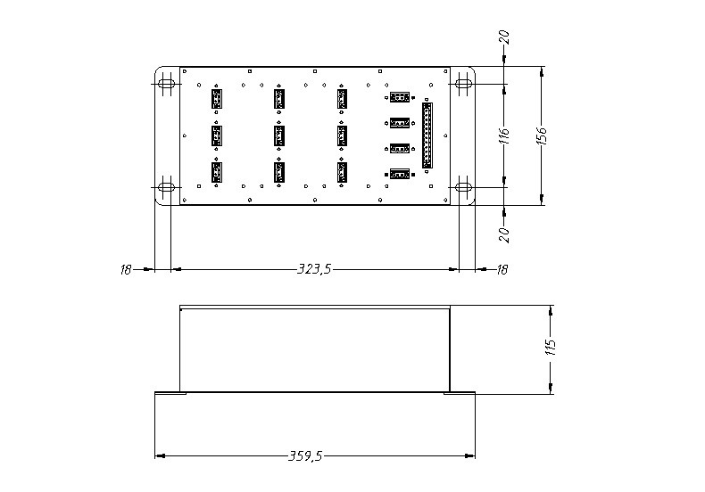
Измерительная панель ИП-3

Измерительная панель ИП-3
  • Питающее фазное напряжение
    1140/660 В
  • Частота входного напряжения
    50 Гц

Измерительная панель ИП-3 устанавливается в РУНН КТСВПЗ и используется совместно с блоком контроля изоляции (БКИ) для измерения сопротивления изоляции и сопротивления дополнительного заземлителя в сети напряжением 1140 В, реализует быстродействующую защиту от однофазных замыканий на землю.

Основные технические характеристики
Параметр Значение
Питающее фазное напряжение
1140/660 В
Частота входного напряжения
50 Гц
Время срабатывания
50÷65 мс
Масса
не более 7 кг
Срок службы
не менее 10 лет

array(2) {
  [0]=>
  array(90) {
    ["ID"]=>
    int(203)
    ["~ID"]=>
    string(3) "203"
    ["IBLOCK_ID"]=>
    string(1) "2"
    ["~IBLOCK_ID"]=>
    string(1) "2"
    ["CODE"]=>
    string(24) "izmeritelnaya-panel-ip-3"
    ["~CODE"]=>
    string(24) "izmeritelnaya-panel-ip-3"
    ["XML_ID"]=>
    string(3) "203"
    ["~XML_ID"]=>
    string(3) "203"
    ["NAME"]=>
    string(46) "Измерительная панель ИП-3"
    ["~NAME"]=>
    string(46) "Измерительная панель ИП-3"
    ["ACTIVE"]=>
    string(1) "Y"
    ["~ACTIVE"]=>
    string(1) "Y"
    ["DATE_ACTIVE_FROM"]=>
    NULL
    ["~DATE_ACTIVE_FROM"]=>
    NULL
    ["DATE_ACTIVE_TO"]=>
    NULL
    ["~DATE_ACTIVE_TO"]=>
    NULL
    ["SORT"]=>
    string(3) "500"
    ["~SORT"]=>
    string(3) "500"
    ["PREVIEW_TEXT"]=>
    string(0) ""
    ["~PREVIEW_TEXT"]=>
    string(0) ""
    ["PREVIEW_TEXT_TYPE"]=>
    string(4) "text"
    ["~PREVIEW_TEXT_TYPE"]=>
    string(4) "text"
    ["DETAIL_TEXT"]=>
    string(632) "

Измерительная панель ИП-3 устанавливается в РУНН КТСВПЗ и используется совместно с блоком контроля изоляции (БКИ) для измерения сопротивления изоляции и сопротивления дополнительного заземлителя в сети напряжением 1140 В, реализует быстродействующую защиту от однофазных замыканий на землю.

" ["~DETAIL_TEXT"]=> string(632) "

Измерительная панель ИП-3 устанавливается в РУНН КТСВПЗ и используется совместно с блоком контроля изоляции (БКИ) для измерения сопротивления изоляции и сопротивления дополнительного заземлителя в сети напряжением 1140 В, реализует быстродействующую защиту от однофазных замыканий на землю.

" ["DETAIL_TEXT_TYPE"]=> string(4) "html" ["~DETAIL_TEXT_TYPE"]=> string(4) "html" ["DATE_CREATE"]=> string(19) "16.05.2018 17:06:16" ["~DATE_CREATE"]=> string(19) "16.05.2018 17:06:16" ["CREATED_BY"]=> string(1) "1" ["~CREATED_BY"]=> string(1) "1" ["TIMESTAMP_X"]=> string(19) "16.05.2018 17:10:16" ["~TIMESTAMP_X"]=> string(19) "16.05.2018 17:10:16" ["MODIFIED_BY"]=> string(1) "1" ["~MODIFIED_BY"]=> string(1) "1" ["TAGS"]=> string(0) "" ["~TAGS"]=> string(0) "" ["IBLOCK_SECTION_ID"]=> string(2) "59" ["~IBLOCK_SECTION_ID"]=> string(2) "59" ["DETAIL_PAGE_URL"]=> string(65) "/products/sredstva-kontrolya-izolyatsii/izmeritelnaya-panel-ip-3/" ["~DETAIL_PAGE_URL"]=> string(65) "/products/sredstva-kontrolya-izolyatsii/izmeritelnaya-panel-ip-3/" ["DETAIL_PICTURE"]=> array(17) { ["ID"]=> string(3) "725" ["TIMESTAMP_X"]=> string(19) "16.05.2018 13:07:47" ["MODULE_ID"]=> string(6) "iblock" ["HEIGHT"]=> string(3) "322" ["WIDTH"]=> string(3) "322" ["FILE_SIZE"]=> string(5) "34852" ["CONTENT_TYPE"]=> string(10) "image/jpeg" ["SUBDIR"]=> string(10) "iblock/a2e" ["FILE_NAME"]=> string(66) "releynaya_zashchita_i_avtomatika_sredstva_kontrolya_izolyatsii.jpg" ["ORIGINAL_NAME"]=> string(66) "releynaya_zashchita_i_avtomatika_sredstva_kontrolya_izolyatsii.jpg" ["DESCRIPTION"]=> string(0) "" ["HANDLER_ID"]=> NULL ["EXTERNAL_ID"]=> string(32) "3bb5f587683c3b594ee2e3b0a1008d9f" ["~src"]=> bool(false) ["SRC"]=> string(85) "/upload/iblock/a2e/releynaya_zashchita_i_avtomatika_sredstva_kontrolya_izolyatsii.jpg" ["ALT"]=> string(46) "Измерительная панель ИП-3" ["TITLE"]=> string(46) "Измерительная панель ИП-3" } ["~DETAIL_PICTURE"]=> string(3) "725" ["PREVIEW_PICTURE"]=> array(4) { ["ID"]=> int(725) ["SRC"]=> string(85) "/upload/iblock/a2e/releynaya_zashchita_i_avtomatika_sredstva_kontrolya_izolyatsii.jpg" ["WIDTH"]=> int(322) ["HEIGHT"]=> int(322) } ["~PREVIEW_PICTURE"]=> NULL ["LANG_DIR"]=> string(1) "/" ["~LANG_DIR"]=> string(1) "/" ["EXTERNAL_ID"]=> string(3) "203" ["~EXTERNAL_ID"]=> string(3) "203" ["IBLOCK_TYPE_ID"]=> string(8) "products" ["~IBLOCK_TYPE_ID"]=> string(8) "products" ["IBLOCK_CODE"]=> string(11) "products_s1" ["~IBLOCK_CODE"]=> string(11) "products_s1" ["IBLOCK_EXTERNAL_ID"]=> string(21) "furniture_products_s1" ["~IBLOCK_EXTERNAL_ID"]=> string(21) "furniture_products_s1" ["LID"]=> string(2) "s1" ["~LID"]=> string(2) "s1" ["ACTIVE_FROM"]=> NULL ["ACTIVE_TO"]=> NULL ["EDIT_LINK"]=> NULL ["DELETE_LINK"]=> NULL ["IPROPERTY_VALUES"]=> array(11) { ["SECTION_PICTURE_FILE_NAME"]=> string(24) "izmeritelnaya_panel_ip_3" ["SECTION_DETAIL_PICTURE_FILE_NAME"]=> string(24) "izmeritelnaya_panel_ip_3" ["ELEMENT_PREVIEW_PICTURE_FILE_NAME"]=> string(29) "sredstva_kontrolya_izolyatsii" ["ELEMENT_DETAIL_PICTURE_FILE_NAME"]=> string(62) "releynaya_zashchita_i_avtomatika_sredstva_kontrolya_izolyatsii" ["SECTION_META_TITLE"]=> string(46) "Измерительная панель ИП-3" ["SECTION_META_KEYWORDS"]=> string(151) "вакуумные выключатели, трансформатор, сухой трансформатор, трансформатор силовой" ["SECTION_META_DESCRIPTION"]=> string(46) "Измерительная панель ИП-3" ["ELEMENT_META_TITLE"]=> string(46) "Измерительная панель ИП-3" ["ELEMENT_META_DESCRIPTION"]=> string(46) "измерительная панель ип-3" ["SECTION_PICTURE_FILE_ALT"]=> string(46) "Измерительная панель ИП-3" ["SECTION_PICTURE_FILE_TITLE"]=> string(46) "Измерительная панель ИП-3" } ["PROPERTIES"]=> array(0) { } ["DISPLAY_PROPERTIES"]=> array(0) { } ["PRODUCT_PROPERTIES"]=> array(0) { } ["PRODUCT_PROPERTIES_FILL"]=> array(0) { } ["PRICES"]=> array(0) { } ["PRICE_MATRIX"]=> bool(false) ["MIN_PRICE"]=> bool(false) ["CAN_BUY"]=> bool(false) ["~BUY_URL"]=> string(83) "/products/sredstva-kontrolya-izolyatsii/izmeritelnaya-panel-ip-3/?action=BUY&id=203" ["BUY_URL"]=> string(87) "/products/sredstva-kontrolya-izolyatsii/izmeritelnaya-panel-ip-3/?action=BUY&id=203" ["~ADD_URL"]=> string(90) "/products/sredstva-kontrolya-izolyatsii/izmeritelnaya-panel-ip-3/?action=ADD2BASKET&id=203" ["ADD_URL"]=> string(94) "/products/sredstva-kontrolya-izolyatsii/izmeritelnaya-panel-ip-3/?action=ADD2BASKET&id=203" ["~SUBSCRIBE_URL"]=> string(97) "/products/sredstva-kontrolya-izolyatsii/izmeritelnaya-panel-ip-3/?action=SUBSCRIBE_PRODUCT&id=203" ["SUBSCRIBE_URL"]=> string(101) "/products/sredstva-kontrolya-izolyatsii/izmeritelnaya-panel-ip-3/?action=SUBSCRIBE_PRODUCT&id=203" ["SECTION"]=> array(1) { ["PATH"]=> array(0) { } } ["CHECK_QUANTITY"]=> bool(false) ["CATALOG_MEASURE_RATIO"]=> int(1) ["CATALOG_QUANTITY"]=> int(0) ["CATALOG"]=> bool(false) ["CATALOG_SUBSCRIPTION"]=> string(1) "N" ["LABEL"]=> bool(false) ["LABEL_VALUE"]=> string(0) "" ["PREVIEW_PICTURE_SECOND"]=> array(4) { ["ID"]=> int(725) ["SRC"]=> string(85) "/upload/iblock/a2e/releynaya_zashchita_i_avtomatika_sredstva_kontrolya_izolyatsii.jpg" ["WIDTH"]=> int(322) ["HEIGHT"]=> int(322) } ["SECOND_PICT"]=> bool(true) ["PRODUCT_PREVIEW"]=> array(4) { ["ID"]=> int(725) ["SRC"]=> string(85) "/upload/iblock/a2e/releynaya_zashchita_i_avtomatika_sredstva_kontrolya_izolyatsii.jpg" ["WIDTH"]=> int(322) ["HEIGHT"]=> int(322) } ["PRODUCT_PREVIEW_SECOND"]=> array(4) { ["ID"]=> int(725) ["SRC"]=> string(85) "/upload/iblock/a2e/releynaya_zashchita_i_avtomatika_sredstva_kontrolya_izolyatsii.jpg" ["WIDTH"]=> int(322) ["HEIGHT"]=> int(322) } ["CATALOG_TYPE"]=> int(0) ["OFFERS"]=> array(0) { } ["LAST_ELEMENT"]=> string(1) "N" } [1]=> array(90) { ["ID"]=> int(202) ["~ID"]=> string(3) "202" ["IBLOCK_ID"]=> string(1) "2" ["~IBLOCK_ID"]=> string(1) "2" ["CODE"]=> string(25) "blok-kontrolya-izolyatsii" ["~CODE"]=> string(25) "blok-kontrolya-izolyatsii" ["XML_ID"]=> string(3) "202" ["~XML_ID"]=> string(3) "202" ["NAME"]=> string(49) "Блок контроля изоляции БКИ" ["~NAME"]=> string(49) "Блок контроля изоляции БКИ" ["ACTIVE"]=> string(1) "Y" ["~ACTIVE"]=> string(1) "Y" ["DATE_ACTIVE_FROM"]=> NULL ["~DATE_ACTIVE_FROM"]=> NULL ["DATE_ACTIVE_TO"]=> NULL ["~DATE_ACTIVE_TO"]=> NULL ["SORT"]=> string(3) "500" ["~SORT"]=> string(3) "500" ["PREVIEW_TEXT"]=> string(0) "" ["~PREVIEW_TEXT"]=> string(0) "" ["PREVIEW_TEXT_TYPE"]=> string(4) "text" ["~PREVIEW_TEXT_TYPE"]=> string(4) "text" ["DETAIL_TEXT"]=> string(733) "

Блок контроля изоляции БКИ-6-3Ш используется на присоединениях распределительной сети до 6,3 кВ с изолированной нейтралью, предназначен для блокирования возможности включения присоединения с низким уровнем сопротивления изоляции (контроль сопротивления изоляции в режиме БРУ). Применяется в составе КРУВ, КАВ-6 и РУВН КТСВП.

" ["~DETAIL_TEXT"]=> string(733) "

Блок контроля изоляции БКИ-6-3Ш используется на присоединениях распределительной сети до 6,3 кВ с изолированной нейтралью, предназначен для блокирования возможности включения присоединения с низким уровнем сопротивления изоляции (контроль сопротивления изоляции в режиме БРУ). Применяется в составе КРУВ, КАВ-6 и РУВН КТСВП.

" ["DETAIL_TEXT_TYPE"]=> string(4) "html" ["~DETAIL_TEXT_TYPE"]=> string(4) "html" ["DATE_CREATE"]=> string(19) "16.05.2018 16:14:18" ["~DATE_CREATE"]=> string(19) "16.05.2018 16:14:18" ["CREATED_BY"]=> string(1) "1" ["~CREATED_BY"]=> string(1) "1" ["TIMESTAMP_X"]=> string(19) "16.05.2018 17:08:53" ["~TIMESTAMP_X"]=> string(19) "16.05.2018 17:08:53" ["MODIFIED_BY"]=> string(1) "1" ["~MODIFIED_BY"]=> string(1) "1" ["TAGS"]=> string(0) "" ["~TAGS"]=> string(0) "" ["IBLOCK_SECTION_ID"]=> string(2) "59" ["~IBLOCK_SECTION_ID"]=> string(2) "59" ["DETAIL_PAGE_URL"]=> string(66) "/products/sredstva-kontrolya-izolyatsii/blok-kontrolya-izolyatsii/" ["~DETAIL_PAGE_URL"]=> string(66) "/products/sredstva-kontrolya-izolyatsii/blok-kontrolya-izolyatsii/" ["DETAIL_PICTURE"]=> array(17) { ["ID"]=> string(3) "724" ["TIMESTAMP_X"]=> string(19) "16.05.2018 12:35:35" ["MODULE_ID"]=> string(6) "iblock" ["HEIGHT"]=> string(3) "322" ["WIDTH"]=> string(3) "322" ["FILE_SIZE"]=> string(5) "27209" ["CONTENT_TYPE"]=> string(10) "image/jpeg" ["SUBDIR"]=> string(10) "iblock/468" ["FILE_NAME"]=> string(66) "releynaya_zashchita_i_avtomatika_sredstva_kontrolya_izolyatsii.jpg" ["ORIGINAL_NAME"]=> string(66) "releynaya_zashchita_i_avtomatika_sredstva_kontrolya_izolyatsii.jpg" ["DESCRIPTION"]=> string(0) "" ["HANDLER_ID"]=> NULL ["EXTERNAL_ID"]=> string(32) "35dcf693d83a200531f6cfee4dfb77ab" ["~src"]=> bool(false) ["SRC"]=> string(85) "/upload/iblock/468/releynaya_zashchita_i_avtomatika_sredstva_kontrolya_izolyatsii.jpg" ["ALT"]=> string(49) "Блок контроля изоляции БКИ" ["TITLE"]=> string(49) "Блок контроля изоляции БКИ" } ["~DETAIL_PICTURE"]=> string(3) "724" ["PREVIEW_PICTURE"]=> array(4) { ["ID"]=> int(724) ["SRC"]=> string(85) "/upload/iblock/468/releynaya_zashchita_i_avtomatika_sredstva_kontrolya_izolyatsii.jpg" ["WIDTH"]=> int(322) ["HEIGHT"]=> int(322) } ["~PREVIEW_PICTURE"]=> NULL ["LANG_DIR"]=> string(1) "/" ["~LANG_DIR"]=> string(1) "/" ["EXTERNAL_ID"]=> string(3) "202" ["~EXTERNAL_ID"]=> string(3) "202" ["IBLOCK_TYPE_ID"]=> string(8) "products" ["~IBLOCK_TYPE_ID"]=> string(8) "products" ["IBLOCK_CODE"]=> string(11) "products_s1" ["~IBLOCK_CODE"]=> string(11) "products_s1" ["IBLOCK_EXTERNAL_ID"]=> string(21) "furniture_products_s1" ["~IBLOCK_EXTERNAL_ID"]=> string(21) "furniture_products_s1" ["LID"]=> string(2) "s1" ["~LID"]=> string(2) "s1" ["ACTIVE_FROM"]=> NULL ["ACTIVE_TO"]=> NULL ["EDIT_LINK"]=> NULL ["DELETE_LINK"]=> NULL ["IPROPERTY_VALUES"]=> array(11) { ["SECTION_PICTURE_FILE_NAME"]=> string(29) "blok_kontrolya_izolyatsii_bki" ["SECTION_DETAIL_PICTURE_FILE_NAME"]=> string(29) "blok_kontrolya_izolyatsii_bki" ["ELEMENT_PREVIEW_PICTURE_FILE_NAME"]=> string(29) "sredstva_kontrolya_izolyatsii" ["ELEMENT_DETAIL_PICTURE_FILE_NAME"]=> string(62) "releynaya_zashchita_i_avtomatika_sredstva_kontrolya_izolyatsii" ["SECTION_META_TITLE"]=> string(49) "Блок контроля изоляции БКИ" ["SECTION_META_KEYWORDS"]=> string(151) "вакуумные выключатели, трансформатор, сухой трансформатор, трансформатор силовой" ["SECTION_META_DESCRIPTION"]=> string(49) "Блок контроля изоляции БКИ" ["ELEMENT_META_TITLE"]=> string(49) "Блок контроля изоляции БКИ" ["ELEMENT_META_DESCRIPTION"]=> string(49) "блок контроля изоляции бки" ["SECTION_PICTURE_FILE_ALT"]=> string(49) "Блок контроля изоляции БКИ" ["SECTION_PICTURE_FILE_TITLE"]=> string(49) "Блок контроля изоляции БКИ" } ["PROPERTIES"]=> array(0) { } ["DISPLAY_PROPERTIES"]=> array(0) { } ["PRODUCT_PROPERTIES"]=> array(0) { } ["PRODUCT_PROPERTIES_FILL"]=> array(0) { } ["PRICES"]=> array(0) { } ["PRICE_MATRIX"]=> bool(false) ["MIN_PRICE"]=> bool(false) ["CAN_BUY"]=> bool(false) ["~BUY_URL"]=> string(83) "/products/sredstva-kontrolya-izolyatsii/izmeritelnaya-panel-ip-3/?action=BUY&id=202" ["BUY_URL"]=> string(87) "/products/sredstva-kontrolya-izolyatsii/izmeritelnaya-panel-ip-3/?action=BUY&id=202" ["~ADD_URL"]=> string(90) "/products/sredstva-kontrolya-izolyatsii/izmeritelnaya-panel-ip-3/?action=ADD2BASKET&id=202" ["ADD_URL"]=> string(94) "/products/sredstva-kontrolya-izolyatsii/izmeritelnaya-panel-ip-3/?action=ADD2BASKET&id=202" ["~SUBSCRIBE_URL"]=> string(97) "/products/sredstva-kontrolya-izolyatsii/izmeritelnaya-panel-ip-3/?action=SUBSCRIBE_PRODUCT&id=202" ["SUBSCRIBE_URL"]=> string(101) "/products/sredstva-kontrolya-izolyatsii/izmeritelnaya-panel-ip-3/?action=SUBSCRIBE_PRODUCT&id=202" ["SECTION"]=> array(1) { ["PATH"]=> array(0) { } } ["CHECK_QUANTITY"]=> bool(false) ["CATALOG_MEASURE_RATIO"]=> int(1) ["CATALOG_QUANTITY"]=> int(0) ["CATALOG"]=> bool(false) ["CATALOG_SUBSCRIPTION"]=> string(1) "N" ["LABEL"]=> bool(false) ["LABEL_VALUE"]=> string(0) "" ["PREVIEW_PICTURE_SECOND"]=> array(4) { ["ID"]=> int(724) ["SRC"]=> string(85) "/upload/iblock/468/releynaya_zashchita_i_avtomatika_sredstva_kontrolya_izolyatsii.jpg" ["WIDTH"]=> int(322) ["HEIGHT"]=> int(322) } ["SECOND_PICT"]=> bool(true) ["PRODUCT_PREVIEW"]=> array(4) { ["ID"]=> int(724) ["SRC"]=> string(85) "/upload/iblock/468/releynaya_zashchita_i_avtomatika_sredstva_kontrolya_izolyatsii.jpg" ["WIDTH"]=> int(322) ["HEIGHT"]=> int(322) } ["PRODUCT_PREVIEW_SECOND"]=> array(4) { ["ID"]=> int(724) ["SRC"]=> string(85) "/upload/iblock/468/releynaya_zashchita_i_avtomatika_sredstva_kontrolya_izolyatsii.jpg" ["WIDTH"]=> int(322) ["HEIGHT"]=> int(322) } ["CATALOG_TYPE"]=> int(0) ["OFFERS"]=> array(0) { } ["LAST_ELEMENT"]=> string(1) "Y" } }

Средства контроля изоляции